喜欢2次
本队伍号为CICC3152
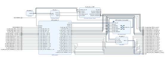
将系统外设总线内部axi接口引出给gpio,注意vivado中gpio地址分配应保证移植
Debug:
通过Xil_Out32函数给gpio的地址写1或者0,注意这里地址是gpio地址也就是核中给axi接口分配的地址(e203中把axi当做外设来用,10041地址已经给定,剩下12位即4K地址空间留给axi),写数据时候由于gpio定义1位宽,所以只需给0x1,如果gpio定义为32位宽,则会把0x1高31位补0.如果gpio定义一位而xil_out32给值0x00000001,则在硬件中依然只会把最低以为给寄存器。
在design中依次从icb2axi模块到顶层给axi接口设ILA看是否有信号变化,注意axi的awaddr,awvalid,wready,wdata一定要引出到ILA,这里调用ILA时候可以选择axi属性。



最后终于用e203的axi把led0点亮。(最终发现是axi_gpio分配地址为照着axi来,粗心大意写错一位)。
